
微小流量金属管浮子流量计
一、微小流量金属管浮子流量计概述
微小流量金属管浮子流量计具有坚固、稳定、可靠和应用范围广的特点, 可用于测量气体和液体。
坚固的全金属设计确保其耐高压、高温,经得起极端的环境条件。
浮子的位置通过磁感应传送到一个模拟指示器显示其测量值。无需电源。
二、主要技术参数
1、测量范围:水(20℃)0.3~100L/h
空气(20℃ 101325Pa)5~3400L/h
2、量 程 比:10∶1
3、准确度等级:4.0
4、zui大工作压力:2.5MPa或6.4MPa,zui大13MPa
5、介质温度:—80~+150℃,高300℃
6、环境温度:—25~+65℃
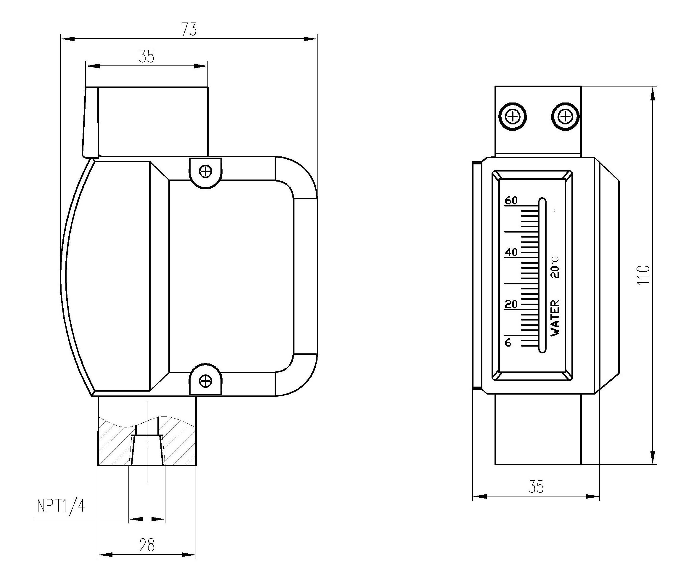
7、连接方式:1/4″NPT内螺纹,可选Φ6(Φ8)卡套连接或按用户要求
8、限位报警:1~2个报警开关(可选,防爆等级ExiaIICT3—T6)
9、电远传:电源电压:24(1±10%)V DC
输出信号:(4~20)mA DC,二线制(兼容HART 通讯协议)
负载电阻:≤500Ω (24V DC)
10、防护等级:IP65
三、测量范围
| 锥管编号 |
水
(20℃ L/h)
|
空 气
(20℃ 101325Pa L/h)
|
zui大压力损失
(kPa)
|
| K01 | — | 5~50 | 1.2 |
| K02 | 0.3~3 | 10~100 | 1.4 |
| K03 | 0.5~5 | 15~150 | 1.5 |
| K04 | 1~10 | 40~400 | 1.8 |
| K05 | 2.5~25 | 80~800 | 3.5 |
| K06 | 4~40 | 125~1250 | 6.5 |
| K07 | 6~60 | 200~2000 | 13.0 |
| K08 | 8~80 | 250~2500 | 23.5 |
| K09 | 10~100 | 340~3400 | 40.0 |
注:用于测量液体时,应保证工作压力不低于2倍zui大压损;用于测量气体时,应保证工作压力不低于
5倍zui大压损,以使流量计稳定工作。
四、外形及安装尺寸
|
LZZW—F12型(水平连接)
|
LZZW—F10型(垂直连接) |
LZDW—F12型(水平连接)
|
五、主要零部件材质
| 零 部 件 | 标 准 | 特 殊 |
| 基 座 | 304 | 316L 或按用户要求 |
| 锥管浮子 | 304 | 316L 或按用户要求 |
| 指示器外壳 | 铸 铝 | |
六、微小流量金属管浮子流量计型号命名
上一篇:水平安装金属管浮子流量计
下一篇:没有了!
下一篇:没有了!

18956090252
公司电话:0551-65350352